Contact us on [email protected] to request a quote

| Blogs
Langley Alloys carries stock of super duplex stainless steel bars up to 16” / 406.4mm diameter, but why not larger?
We believe that this is the maximum sensible diameter that can be produced whilst still maintaining consistent properties through to the centre of the bar.
Super duplex grades offer an unrivalled combination of high strength, excellent corrosion resistance and cost competitiveness. However, they are known to be sensitive to the formation of harmful microstructural phases within the steel if cooled too slowly during production, or heated too highly during fabrication or use. Cooling quickly is harder to achieve as the size increases.
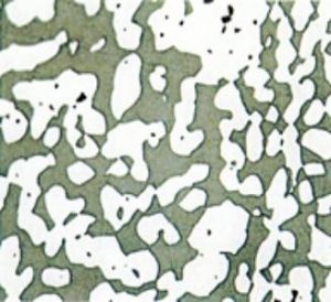
In simple terms, a bar of metal is a crystalline material. When etched and observed by a microscope, the internal structure of the metal is made up of many individual crystal grains of differing sizes and orientations. The natures of these grains, their size and type, will influence both its physical and mechanical properties. The microstructure inside a piece of steel is a factor of its composition and its thermal history. For this reason, steelmaking is often compared with baking – controlling the recipe and the time and temperature in the oven.

Super duplex stainless steels consist of a mixture of ferritic and austenitic grains that form when the metal is quickly cooled after the high temperature soak (known as solution annealing). Solution annealing ensures a consistent composition throughout the item, whilst rapid quenching effectively ‘freezes’ that consistent composition. That mixture of austenitic and ferritic grains gives a favourable combination of properties. Super duplex grades have the corrosion resistance of an austenitic grade, the strength of a ferritic grade, the resistance to embrittlement of an austenitic grade, and a good level of impact toughness and ease of fabrication.
If the rate of cooling is slower than desired, other types of crystal grains, known as ‘phases’, may form in their place. Phases such as sigma and chi are known as ‘intermetallic phases’, as they are a combination of two or more metals. They form in the range 550-1000degC, but most rapidly at around 850degC. Both sigma and chi phases are rich in chromium and molybdenum, which means the surrounding space is denuded of chromium i.e. has a lower chromium content. As chromium primarily encourages corrosion resistance, these areas around the sigma phase are of much lower corrosion resistance. Also, the presence of these hard, brittle phases results in significantly lower impact strength. Obviously, avoiding the formation of sigma and chi phases is fundamental to the production of high-performance stainless steels!
Metallurgists may talk about TTT diagrams, which stands for temperature-time transformations. Theses diagrams show the likelihood of forming a particular phase for given combinations of temperature and time during their processing. For super duplex stainless steels, this means cooling quickly enough to miss the ‘nose’ of the curve on the TTT diagram shown below.

So, how does this phenomenon limit the maximum diameter of super duplex stainless steel bars? Even when quenched in water, almost immediately after removal from the heat treatment furnace, it is not possible to remove the heat from large bars quickly enough to avoid the formation of these negative phases. Norsok-qualified manufacturers must control the transfer time from furnace to water bath, and the maximum quench water temperature. Bars may also be agitated during quenching to improve heat transfer and increase the cooling rate. However, above 16” / 406.mm, the cooling rate is still too slow to guarantee no sigma or chi formation. This maximum diameter is sometimes referred to as the ‘ruling section’, which is the maximum allowable section thickness through a bar, a forged or cast component. Subsequently, both mechanical and physical properties will fall underneath the required level. Whilst a test certificate may show acceptable properties, this typically relates to test samples taken closer to the surface where the rate of cooling is greater.
For this reason, Langley Alloys chooses not to stock super duplex stainless steel bars in larger diameters. If you need to produce larger components in super duplex stainless steel, what are your options?
1/ Produce from plate.
Langley Alloys stock super duplex plate up to 3” / 76.2mm thickness. This allows far large diameter items to be offered, albeit limited to the maximum thickness of the plate.

2/ Bespoke forgings
If the part cannot be machined from 3”/76.2mm thick plate or 16”/406.4mm diameter bar then bespoke forgings could be a work around, as long as the ruling section does not exceed this maximum allowable size.
3/ HIP
Hot isostatic pressing (HIP) is not widely used, on account of its relative cost, lead time and availability. Here, parts are produced from powder in high-pressure furnaces. As the mould (‘pattern’) for the powder to create the component can include central bores and other features, the ruling section may be much lower than if it was machined from a solid item. Therefore, subsequent heat treatment can achieve the required fast cooling rates.
4/ Post-machining heat treatment
Heat treatment after machining is a viable option for many components. Machining often removes between one-third and one-half of the starting weight from a solid bar. In addition, central bores may dramatically reduce the ruling section. The only risk from post heat treatment is from some distortion upon cooling. Therefore, heat treatment should be undertaken after proof machining to allow a final finish machine stage to be completed.
Langley Alloys were one of the originators of super duplex stainless steel, with our unique Ferralium 255 (UNS S32550, F61, DIN 1.4507) being patented in the late 1960s. We later added both S32760 (F55, DIN 1.4501) and S32750 (F53, DIN 1.4410) to our stock programme and have retained our focus on these grades.
With several metallurgists within our business and a steelmaking heritage, we understand better than most the best ways to produce, procure and handle these grades. Please contact us to discuss your requirements.
Global Delivery Available
Air, sea, and road freight options are available, with a range of packaging solutions, to support global deliveries.
Inventory Management
Let us manage your total material requirements with call-off and consignment arrangements.
Up to 40 sizes per alloy available
More sizes equal less machining and a more cost-effective supply chain.